|
|
|
|
|
Drosel: Схемка программатора не совсем понял, как работает линия DATA. От ПК к МК понятно, а наоборот получается идет с инверсией? Микросхема U4 - это повторитель (без инверсии)? У меня лежит один PIC16F628A, после очередной записи он стал "read only", последняя прошивка считывается, но не стрирается. Сам МК не запускается. Попробуйте еще ползунок I/O delay подвигать. Я собирал программатор по схеме из pic16F628.narod.ru (эх, и этот сайт поглотил господин "123" ), прошивал из ВинХРю через штатную программу и icprog. Проблеммы возникали из-за плохого контакта в LPT-разъеме, просадке напряжения программирования ниже 12,5 В и перевертывании МК  |
|
|
|
Сергей К: Микросхема U4 - это повторитель (без инверсии)? Да U4 (К155ЛП9) -ето повторитель; К155ЛН3 ( Ваш вариант) - инвертор. |
|
|
|
Сергей К: Попробуйте еще ползунок I/O delay подвигать Сегодня пробовал на max задержке + ножку RB3 на корпус через резистор 220 Ом - ничего не дало. Сергей К: Я собирал программатор по схеме из pic16F628.narod.ru Надо будет попробовать. У меня программатор соединен с компьютером самодельним шнуром сделанним из шлейфа длиной 1м без екранировки - может из-за такого сбоить программатор? |
|
|
|
У меня было около метра заводского LPT-кабеля до сканера и потом от сканера сантиметров 30 до программатора отдельными проводами обмотаными изолентой. Врядли дело в наводках, почему-то МК не входит в режим записи.... Кстати, варианты с / без буквы А в маркировке МК пробовали? P.S. трудо найти причину, когда не уверен что сам МК живой  |
|
|
|
Drosel: Я повторил вариант АКа Сорри, попутал.  Сергей К: и этот сайт поглотил господин "123" С чего Вы взяли? Или я чего не заметил? |
|
|
|
он главную страницу попортил, до указанной еще не добрался  |
|
|
|
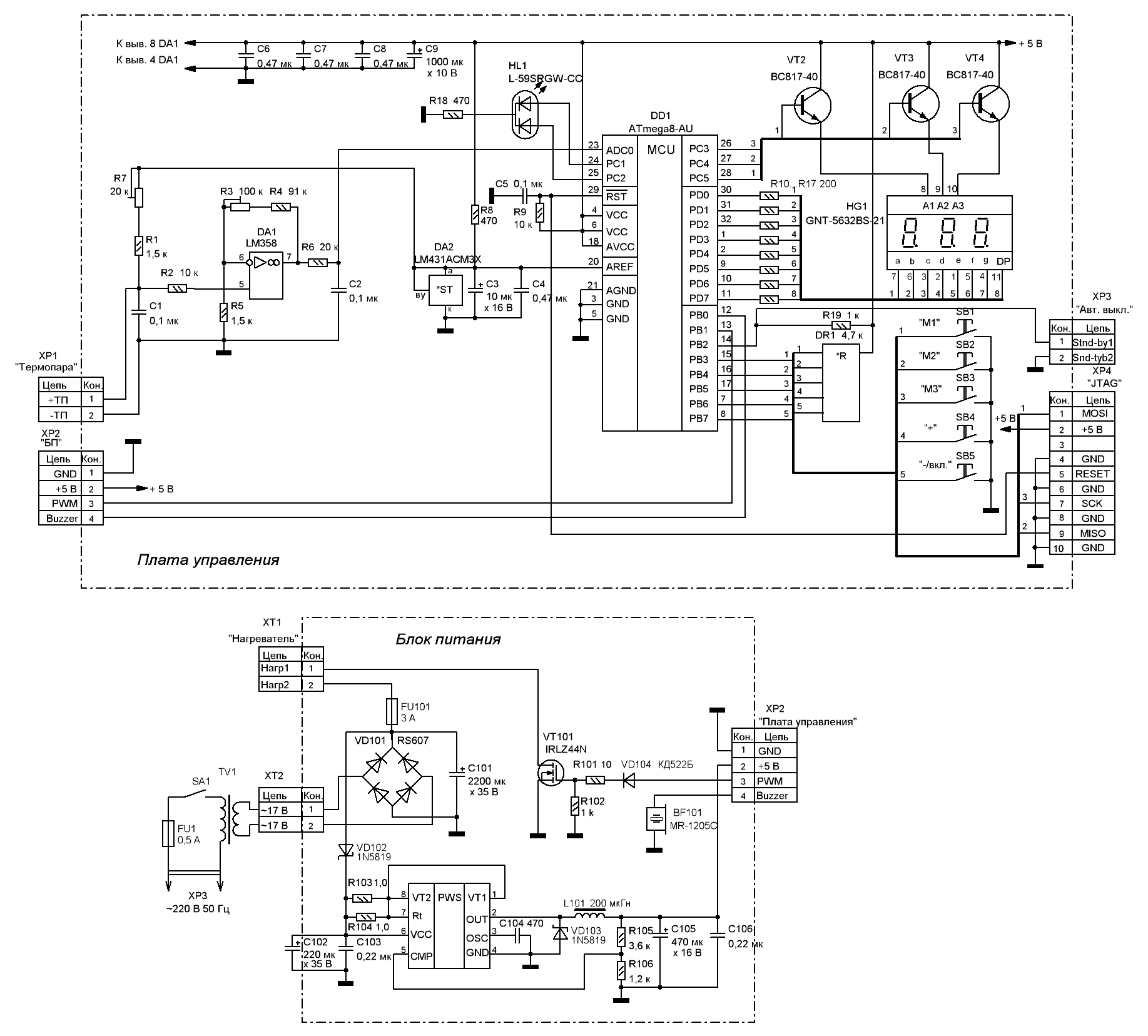
Всем привет! Делаю паяльную станцию из этой статьи: http://radiokot.ru/lab/controller/32/ Окончательная схема выглядит так: http://radiokot.ru/forum/download/file.php?id=38930&sid=5f1f6834636876ac08de... Мега8 у меня в TQFP, панелек под такой корпус я не нашел. Поэтому решил поставить на плате разъем ISP. Вопрос: прошьется ли этот контроллер внутрисхемно без кварца? В схеме же кварца нет, там внутренний генератор задействован. В какой-то статье про программаторы читал, что AVR-ки обязательно требуют работы тактового генератора при прошивке. Будет мега8 шиться от внутреннего генератора или как? Программатор у меня через LPT порт типа STK200/300. Типа такого: http://radiokot.ru/start/mcu_fpga/avr/03/ Только распиновка JTAG-a может отличается немножко. Шью обычно из PonyProg2000.
|
|
|
|
Леха: Будет мега8 шиться от внутреннего генератора или как? Зашьётся. Если не будете трогать FUSE. А то на второй раз нужно уже будет кварц ставить, если на применение с кварцем они стояли. И посмотрите DA2, как бы будет ли работать. На вывод REF DA2 всё таки поставить бы резистор. И потом мучиться с пересчётом, если Vref не равно 5V. Или вообще убрать DA2, если Vref=5V. Ну в общем сами посмотрите внимательнее. Леха: Мега8 у меня в TQFP Всё таки поставьте DIP c сокетом пока не поздно. Дешевле обойдётся. Вы ж не в серию это делаете. Два раза нарывался по крупному при отладке на TQFP. Второй раз после двух раз выпайки TQFP феном выкинул плату. Отладки без палева не бывает. Или Вам сюда http://www1.chipdip.ru/video.aspx?vid=ID000272930, если не убедил. |
|
|
|
Да я нигде не могу найти в DIP корпусе. 3 часа бегал по митинскому рынку, в каждую палатку заходил - нигде нет - только в СМД корпусе. В ВольтМастере тоже нет в наличие в DIP. В ЧиД ходить я еще не сдурел. Вот и пришлось брать СМД. Да еще панелек под них нигде нет. viczai: Отладки без палева не бывает. Ну там схема вроде проверенная. Ее многие уже делали. Это если свежеразработанную паять - там без макетки не обойтись. viczai: На вывод REF DA2 всё таки поставить бы резистор. И потом мучиться с пересчётом, если Vref не равно 5V. Или вообще убрать DA2, если Vref=5V. Ну в общем сами посмотрите внимательнее. Несовсем понял. Там же 2,5 В будет при таком включении.
|
|
|
|
Леха: Там же 2,5 В будет при таком включении. Вот теперь понятно. Вопрос закрыт. |
|
|
|
|