Свежие обсуждения
Источники питания

Аккумуляторы Li-ion - как зарядить два, включенные последовательно ?

Суть дела такова - есть фонарь, в котором стояла "гелевая" АКБ на 6В. Сдохла. Покупать новую нет желания
Имеется 2 аккумулятора от сотовых - Li-ion 3,6в 650мAh. Включенные последовательно, прекрасно питают фонарь (там 9 светодиодов).
Вопрос длительности свечения опускаем, так как фонарь используется максимум 1 раз в неделю, летом, на рыбалках - отдыхах на природе.
Собственно, не могу соориентироваться, можно ли их, включенные последовательно, заряжать совместно.
Ведь эти АКБ имеют встроенный контроллер, прекращающий зарадку при достижении ею оптимума.
Может, кто пробовал такое ?

 

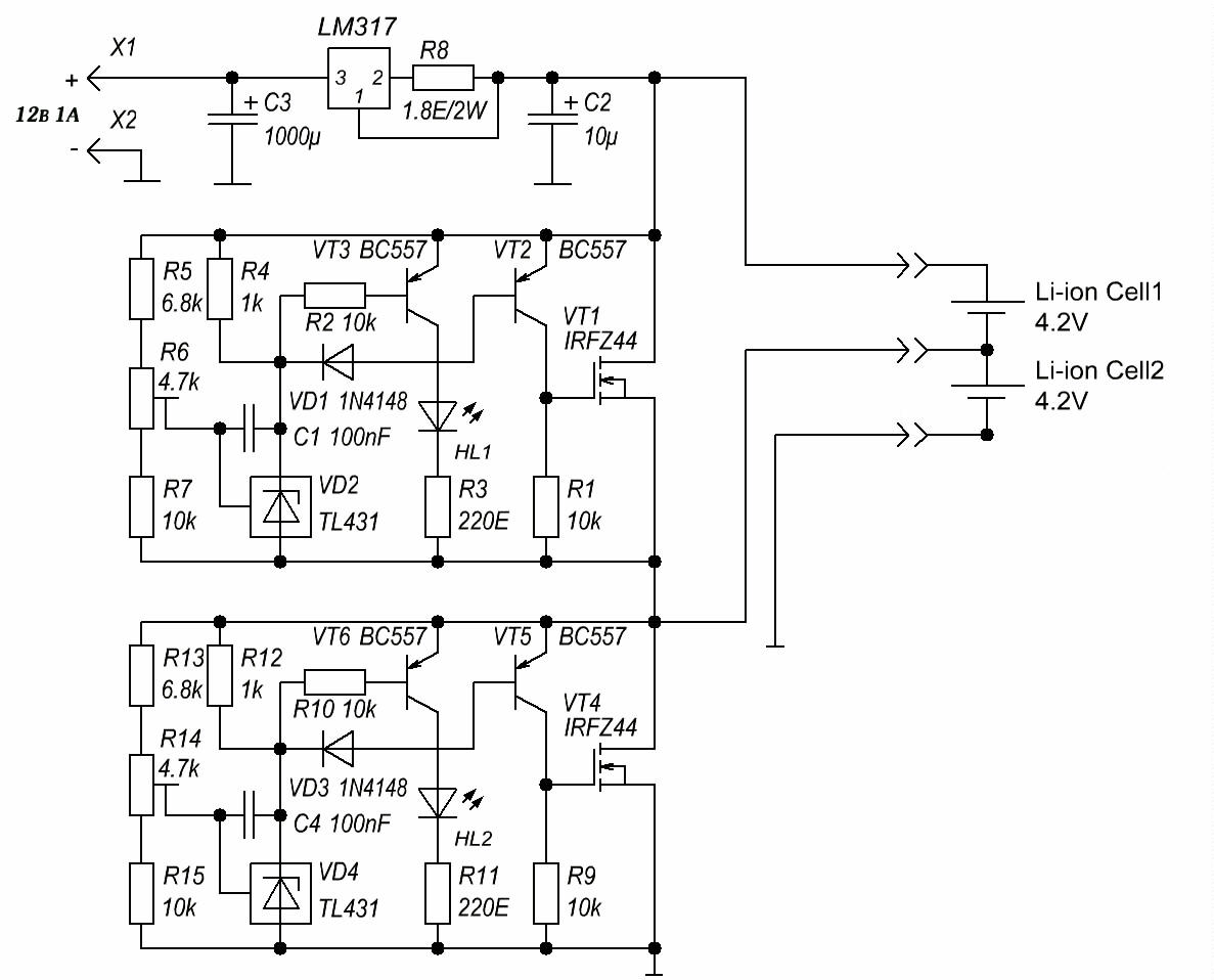
Встроенная в аккумуляторы защита, это только защита и она не предназначена для ограничения заряда. Лучше собрать нормальное зарядное устройство с уравнивающими ячейками, например посмотреть тут: http://radiokot.ru/forum/viewtopic.php?f=11&t=41717

PS что-то тут непонятное, ссылки невозможно вставить, искажаются....

 

ALEX-P: например посмотреть тут:
По ссылке отвечает "Запрошенной темы не существует."
Скажите, пожалуйста название темы.

 

На радиокоте в разделе питание, тема "Несколько вопросов по зарядкам Li-ion", там где-то в серединке первой страницы вариант для Вас.

 

Нашёл сам - ссылка та же, только в Вашей лишние символы (11&) добавились (в тексте их не видно)
Читаю.
ЗЫ. - отправил и те лишние символы ...исчезли, при редактировании опять появились. мистика

 

ALEX-P, спасибо большое ! нашёл то, что надо:
http://radiokot.ru/forum/download/file.php?id=55852

 

FAQir, как Вы хотите заряжать - в составе фонаря, или вынимая и снаружи подключая к зарядке? Это ведь две большие разницы. Я бы на вашем месте удалил оттуда контроллеры, а контроль заряда обеспечил бы фиксацией зарядного напряжения на заданном уровне (обычно ставят 4,1...4,12 вольт). Значит, если в составе фонаря, то нужно варганить специальную зарядку на 8,2 вольт, а если вынимая, то годится что-нибудь универсальное с 4,12 в.
Что касается контроля разряда - ну, на глазок... Бросовых аккумов от мобил достать не проблема, так что не жалко и переразрядить...

 

Спец: в составе фонаря
Да, именно так. Так та схема, как я понял, и ограничивает общее напряжение на 8,2в.
Индивидуально- на 4,2в.