Свежие обсуждения
Источники питания

Стабилизация тока на МС34063

1 9 11

DWD: Схему стабилизатора свича срисую на досуге.

Вот, набросал...

Позиционные обозначения соответствуют надписям на плате, знаками вопроса отмечены номиналы керамических конденсаторов индуктивность дросселя, так как я их не замерял.

 


DWD, номинал R63 измерьте еще раз если не затруднит... спасибо.

 

Поменял схему в посту DWD на исправленную КТ315 по наводке alx25v.

 

KT315: ...номинал R63 измерьте еще раз...

Резистор типоразмера 0603 с надписью "470". Звонится в любую сторону как 47Ом.
А что подозрительно?

Арс, спасибо за исправление!
Но какВы это сделали?..
Собственно. я догадываюсь, но проще было бы заставит меня.

 

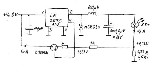
Нашел занятный вариант, правда на 2576, но не это главное.

 

alx25v: но не это главное

полагаю главным вы посчитали введение смещения 1в на резисторе 1к(вывод 4), благодаря чему падение напряжения на датчике тока ограничено 0,23в, что значительно повышает КПД.
или нет ? может главное для вас применение отечественного транзистора ?

 

Есть такой усилитель у TI , дразнится INA282 (не самый дешевый,розница: 50-90руб ),который от того-же одного питания правильно сработает. Вроде у него КУ=50. Это нормальное решение.
Или какой всплеск с выхода выпрямить, чтобы минус хотя-бы вольт получить. И тогда ОУ туда копеечный, чтобы падение с малого резистора усилить. Можно и идею с INA282 (переключаемый конденсатор) стибрить.. Но насыпухи будет слишком много..Мне думается, что на дроссель сверху небольшую обмоточку и выпрямить для минуса питания ОУ, так будет проще.. За все платить надо..

 

AnSi: благодаря чему падение напряжения на датчике тока ограничено 0,23в, что значительно повышает КПД.
Да, именно это. Кстати, если не в точке термо стабильности полевика встать, то можно в зависимости от температуры оного, ток в нагрузке автоматом в + или - крутить. При перегреве кристалла ток можно уменьшать автоматом.
Вместо полевика можно 431 или 1117 поставить в режиме генератора тока.

 

34063
использовались гдето в стабилизаторах тока для шаговых двигателей,в системах чпу
статья вроде эта
РадиоКот Электроника и механика домашнего 3-х координатного станка ЧПУ
незнаю наскоко подойдёт,но посматреть можно,у вых конешно менять надо будет

 

Микросхема МС34063 - ШИМ или релейная?
Запостить решил здесь, так как именно в этой теме (на мой взгляд) был поднят и обсуждался этот вопрос.

Я, наконец, разобрался, что это за микросхема. А на общее обсуждение выношу потому, что ни кто и нигде не указал некоторую её особенность. Думаю, некоторым будет интересно.

А прикол заключается в том, что эта микросхема является одновременно и ШИМ и релейной!
Причём, можно самому выбирать, какая она будет.

Рассуждаем...
Для удобства анализа, вставлю функциональную схему.

В доке AN920-D, где описывается эта микросхема, сказано буквально следующее:
"During the ramp-up portion of the cycle, a Logic "1" is present at the "A" input of the AND gate. If the output voltage of the switching regulator is below nominal, a Logic "1" will also be present at the "B" input. This condition will set the latch and cause the "Q" output to go to a Logic "1", enabling the driver and output switch to conduct. When the oscillator reaches its upper threshold, CT will start to discharge and Logic "0" will be present at the "A" input of the AND gate. This logic level is also connected to an inverter whose output presents a Logic "1" to the reset input of the latch. This condition will cause "Q" to go low, disabling the driver and output switch."

Что в моём вольном переводе означает:
Во время зарядки времязадающего конденсатора на входе "А" логического элемента "И" устанавливается логическая единица. Если выходное напряжение стабилизатора ниже номинального (по входу с пороговым напряжением 1,25В), то логическая единица выставляется и на втором входе "В" этого же элемента. В этом случае на выходе элемента и на входе "S" триггера также логическая единица, он устанавливается (активный уровень - лог. 1) и на его выходе "Q" появляется логическая единица, открывающая ключевые транзисторы. Когда напряжение на частотозадающем конденсаторе достигнет верхнего порога, он начинает разряжаться, при этом на входе "А" логического элемента "И" появляется логический ноль. Этот же уровень подаётся и на вход сброса триггера (активный уровень - лог. 0) и сбрасывает его. На выходе "Q" триггера появляется логический ноль и ключевые транзисторы закрываются.
Далее цикл повторяется.

По функциональной схеме видно, что это описание относится только к компаратору тока, функционально связанному с задающим генератором (управляемому по входу 7 микросхемы). А выход компаратора напряжения (управляемому по входу 5) подключен только к входу "В" логического элемента "И" и таких "привилегий" не имеет.

Получается, что в каждом цикле компаратор тока может как открывать ключевые транзисторы, так и закрывать их, если, конечно, разрешает компаратор напряжения. Но сам компаратор напряжения может выдавать только разрешение или запрет на открывание, которое может быть отработано только, в следующем цикле.

Отсюда следует, что если закоротить вход компаратора тока (выводы 6 и 7) и управлять только компаратором напряжения (вывод 5), то ключевые транзисторы открываются им и остаются открытыми до конца цикла зарядки конденсатора, даже если на входе компаратора напряжение превысило пороговое. И только с началом разрядки конденсатора генератор закроет транзисторы. В таком режиме мощность, отдаваемая в нагрузку, может дозироваться только частотой задающего генератора, так как ключевые транзисторы хотя и закрываются принудительно, но только на время порядка 0,3-0,5мкс при любом значении частоты. А такой режим больше похож на ЧИМ – частотно-импульсную модуляцию, которая относится к релейному типу регулировки.

Если же наоборот, закоротить вход компаратора напряжения на корпус, исключив его из работы, а управлять только входом компаратора тока (вывод 7), то ключевые транзисторы будут открываться задающим генератором и закрываться по команде компаратора тока в каждом цикле! То есть, при отсутствии нагрузки, когда компаратор тока не срабатывает, транзисторы открываются надолго и закрываются на короткий промежуток времени. При перегрузке, наоборот - открываются и тут же надолго закрываются по команде компаратора тока. При каких-то средних значениях тока нагрузки ключи открываются генератором, и через какое-то время, после срабатывании компаратора тока, закрываются. Таким образом, в данном режиме мощность в нагрузке регулируется длительностью открытого состояния транзисторов - то есть, полноценной ШИМ.

При одновременном задействовании обоих компараторов (в классической схеме) всё работает точно так же, а ключевой режим или ШИМ включаются в зависимости от того, какой компаратор сработает в данный момент: при перегрузке по напряжению - ключевой (ЧИМ), а при перегрузке по току - ШИМ.