Свежие обсуждения
Звуковая техника

В усилителе "Электроника ЭФ-017-стерео" выгорает резистор в БП

1 7 9

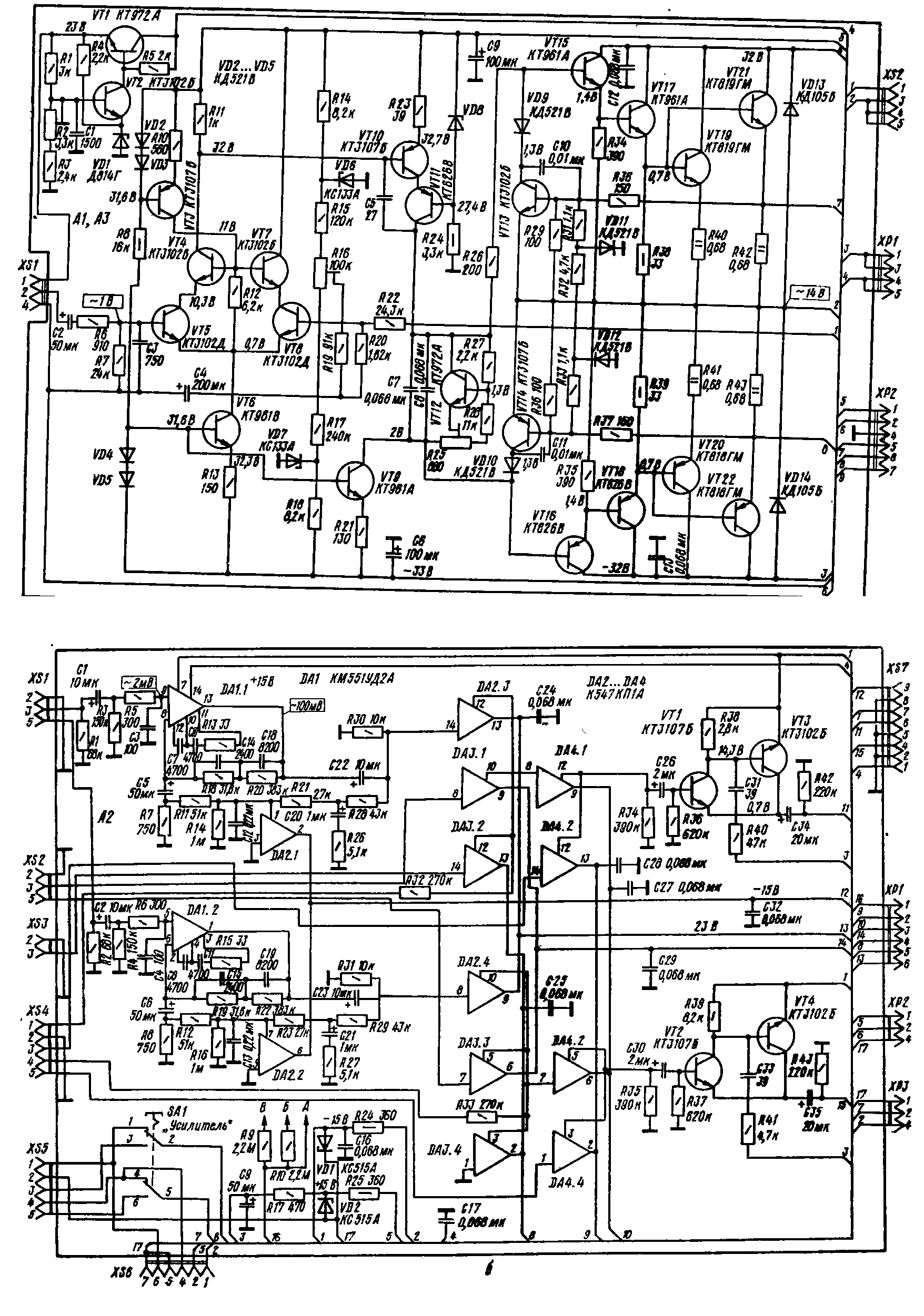
http://radiokot.ru/forum/download/file.php?id=32469 Перед включением усилителя, отсоедините оконечные транзисторы (КТ818,КТ819) и не подсоединяя нагрузки (динамиков) включите усилитель.Проверьте на выходе усилителя напряжение.Оно должно быть равно 0В +/- 5-10мВ (выставляется R16).Затем подсоединяем выходные транзисторы и выставляем ток покоя в пределах 20-30мА (R25),(ток покоя корректируем после 20-30 минут работы усилителя).После этого подсоединяем нагрузку (колонки) и наслаждаемся прослушиванием музыки.

 

jimmy: Перед включением усилителя, отсоедините оконечные транзисторы (КТ818,КТ819) походу для этого достатояно вываять эмиттерные резисторы все4в каждом канале!

jimmy: атем подсоединяем выходные транзисторы и выставляем ток покоя в пределах 20-30мА (R25),(ток покоя корректируем после 20-30 минут работы усилителя)
перед этим полезно убедится что на резюках R38иR39 падает менее 0,7в! иначе могут хлопнуть выходники изза сквозняка!
ПС***подобные усилки можно ЛЕГКО загнать в клас почти- А то естьАВ близкии к А выставив ток покоя 300-1000ма и добавив 2 вертушки от компа на обду(тов выставлять на горячем!) Кг при этом падает до 0,001-0,01%при малых и средних уровнях

 

http://www.vegalab.ru/forum/attachment.php?attachmentid=73042&stc=1&d=12... Отсоединены оконечные и пред оконечные. Лампа горит. Отсоединяю ХР1 питание оконечников. Оставляю питание только ХР2. Лампа гаснет. Значит коротыш где то в оконечнике, так ведь? Но все вызвонил вроде.

 

А смысл такого малого КНИ при отсутствии соответствующей акустики. У ширпотребовских колонок свой КНИ до 2-3%

 

То есть сделать замеры не представляется пока возможным. Тестером короткое не показывает, между коллекторами выходных и нулем(точкой соединения эммитерных соединений).

 

Wladimir_TS: малого КНИ при отсутствии соответствующей акустики Слушал я такое. На любых нормальных колонках эта разница хорошо прослушивается и только в лучшую сторону, то ли спектр другой и шипение или шум высоких частот, меньше становится и чистота чуствуется, и даже с кассетного магнитофона с дин подмагничиванием, как источнике. Замерить это чем то невозможно, может ещё и психологический эффект до кучи приплюсовывается, но всем кому показывали, даже с нулевым музыкально-техническим уровнем, когда объяснишь что ловить, всё чётко ловится. Вплоть сделали проверку на переключение источника звука и покоя, не давая информ нулевому товарищу что сейчас будет включено. Отлично определяется. Естественно если без дефектов слуха и музыку коллекционирует==любит. Когда транзюки перед тепловым пробоем, то шум резко возрастает и кирдык конечникам. То же эффектно, когда к 0,7 Ампера покоя подобрались по просьбе радиослушателей. Подключали ешё и дин шумоподавители, так нулевой товарищ ушёл после всего этого и матерился долго на разработчиков этого чуда, а до этого всё стояло и даже работало и не мешало.

 

Andy_Rus: Но все вызвонил вроде. Что на выходе усилителя, какое напряжение (положительное. отрицательное или ноль)?Какие напряжения на выводах транзисторов?

 

Да ни каких, оно сразу падает про включении в сеть.

 

Andy_Rus: , оно сразу падает про включении в сеть.

jimmy: Перед включением усилителя, отсоедините оконечные транзисторы (КТ818,КТ819) и не подсоединяя нагрузки (динамиков) включите усилитель Опишите , что происходит и замерьте напряжения на Т17 и Т18 (вход усилителя закоротите на "землю").

 

Andy_Rus: Лампа горит. Отсоединяю ХР1 питание оконечников. Оставляю питание только ХР2. Лампа гаснет

какая лампа, где лампа? я не вижу на схеме никакой лампы.