|
|
|
|
|
ой господа не надобд туды суды мосты наводить ...не былоб беды от того.... - там надь другое питало-кондер +рез =стаб после стаба 1 диот на лит .... -от лита все питаем -триак открывать ТОКОМ С КОЛЕКТОра в 3квадранте- тогда даже совковые древние кукушки208-пахати будутка однака катод триака соединить с + лита.... гать с колектором лампу в анод.... ктриаку надь цепь демпеферную приатачить рез 100ом 1вт и кондюковичь 0.1мкфарад |
|
|
|
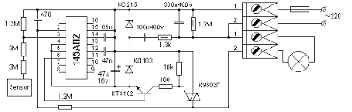
Схема без мостика. Предохранителя не хватает последовательно с C5.
 Источник: http://radiolub.ru/category/raznoe/next/3 |
|
|
|
во во примерно так и надб но впослед с кондюуовичем 1мкфарадов надь резик на 100омов 1вт приладить токма поляру диода стабилитрона и лита надт менять +кт315 КОЛЕКТОР к ГАТИ приладить |
|
|
|
В этой схеме я бы диод VD1 переставил в точку между С5 и катодом VD2. А то ведь при положительной полуволне Uvd2 = Uстаб , а при отрицательной Uvd2 = (0,6 - 0,8) Вольт.
|
|
|
|
Так нельзя, не будет разряжаться конденсатор С5. |
|
|
|
АК: Так нельзя, не будет разряжаться конденсатор С5. Блин , подумать надо... |
|
|
|
angren68: положительной полуволне Uvd2 = Uстаб , а при отрицательной Uvd2 = (0,6 - 0,8) Вольт. так и надь нам ведь реалная постоянка НАМ нужна- ЕСЛИ подумати чуть -эта обычный удвоитель где первый диод заменен зенером(стаб) такким образом получама 2 в 1 и выпрямителя и стабилизара однака + зенера не грузит кондер однака, поэтому емкостя кондюковича могет быть на полядок менше всего 47-100мкфарада аднака с питалом тут хорошо,однака как я писал надот ПС(забил сказать однака) ток Гати однако разный у КУ602 и ТС--25-6 и тогда надь емкостя лита и БАЛАСТ кондюковича ПОДНИМАТИ а рез в колектори-уменшати надь... да ище ток, удержания тоже РАЗНЫЙ нелзя 5вт весить на 500а симистор аднако-не буде работать,однака советую 1-3а мелкий триак из чины на 400-80- волтов ,аднака
  |
|
|
|
Согласен, однака..! |
|
|
|
Господин musor ! Последнее моё предупреждение по Вашей грамматике! |
|
|
|
ЮХа: ! Последнее моё предупреждение C'est La Vie  ,ЭТО ВМЕСТО СПАСИСИБО??? наверно я не В ТОЙ СТРАНЕ..... пора уже наверное.... |
|
|
|
|