Свежие обсуждения
Теле- и видеотехника

Передача видеосигнала по витой паре

1 5 10

Все правильно у ВиНи. С точки зрения VT2, обычный каскад ОЭ-ОБ. Вот только с симметрией тут не совсем все хорошо, и цепи коррекции тоже ассиметричны. Хотя, в принципе, передатчик не обязательно должен иметь хорошо симметричный парафазный выход. Самое главное, чтобы приемник имел хорошую симметрию с высоким подавлением синфазного сигнала.
Мне думается, что сейчас комплектухи всякой предостаточно, чтобы ваять подобные схемы на транзисторах, особенно приемную часть. Глянуть тот же аналог дивайс, тексак инструменстс или максим. Там полно разных дифференциальных и инструментальных усилителей. Есть и специализированные передатчики-приемники. Можно в конце концов и на операционниках сварганить дифусилитель, используя прецизионные резисторы.
Я когда-то делал подобные штучки на ЭСЛ микрухах в линейном режиме. Вроде МС10Н116 использовал. Быстродействие у них более, чем достаточное. И буферированны они хорошо. На выходе эмиттерные повторители. И усиление в режиме приемника можно получить хорошее. Но, думаю, что сейчас все это неактуально. Надо просто хорошо поискать по даташитам и вопрос будет решен.

 

ВиНи:
При использовании стабилизированного источника питания можно исключить из схемы и стабилитрон VD1
А R8?

 

Постоянно использую Инфотеховские пары DVT\SVT Pro. Самый дальний провод, на практике составил 1600 м. Все работает. Обычная и 485 витые пары.... Что я не так делаю? И меня пытаются убедить, что это принципиально невозможно???

 

ВиНи: У них большой разброс в параметрах, поэтому...
можно использовать из неликвидов подходящую микросборку. 2-4 транзистора на одном кристалле. Специально создавались для работы в диф. каскадах. Из старых по памяти ~125НТ1, КТС613А....

Jeniver: меня пытаются убедить, что это принципиально невозможно?
Откуда такой вывод?

 

smg123: Откуда такой вывод?
Из Вашего поста от 13 ноября, в том числе.

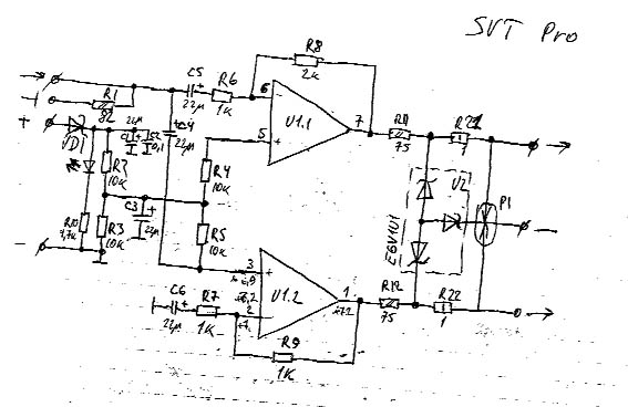
А в SVT Pro примерно так: http://forum.ixbt.com/post.cgi?id=attach:48:8058:0:1 на AD8052. И ведь работает..

 

To Jeniver & All
Я всего лишь говорил о том, что видеосигнал в полосе 6МГц по витой паре 5 категории весьма проблематично передать на расстояние в 2 км.Только и всего. При снижении полосы до 2-2,5 МГц - думаю особых проблем не возникнет. Изготовители подобных устройств скромно пишут в тех. характеристиках о том, что максимальная длина приводится для ч\б камер низкого разрешения (1,5-2,5 МГц), a для цветных (с полосой 4-5МГц) она всегда меньше.
Можете сделать контрольный выстрел. Задайте вопрос изготовителю: Какую максимальную частоту сигнала по уровню -3дБ они гарантируют на длине витой пары 5 категории в 1500 или 2000м? Ответ требуйте в цифровом виде, а не в виде словесного поноса о цвете и разрешении камер.
По поводу схемы SVTpro - стандартный симметричный выходной каскад на ОУ, аналогично строится и входной - прочитайте мой пост от 09.11.2008

 

Арс: А зачем в данной схеме защита?
Если будешь сам паять схему и сам её устанавливать в линию, то можно обойтись и без неё. Но на практике установкой видеокамер и передатчиков занимаются малограмотные люди. Поэтому ошибки случаются, и тогда идёт дым от платы. А оно надо потом заниматься её ремонтом?

А в номиналах С1 и С7 ошибки нет? Это действительно неполярные конденсаторы в 100 мкФ?
Конечно это электролиты. Я упустил, и надо поставить плюсики у выводов, соединённых с базами.

С указанным на схеме стабилитроном наверное всё же лучше выставить (на коллекторах) 5В ?
С этим можно было бы согласиться, если бы в эмиттерных цепях транзисторов не было резисторов. Но они есть, и на них падает заметное напряжение, т.к. транзисторы постоянно работают в активном режиме.

Конечно выпускают передатчики и более сложные с регулируемой частотной коррекцией для разных длин линий, но по содержанию сообщений BCluster я понял, что он мало знаком с этими устройствами, и привёл наиболее простую, но абсолютно работоспособную схему.

 

ВиНи, действительно, мало знаком со схемотехникой данных устройств, спасибо за схему, я во всем разобрался. Жду приемника )

 

Ну вот наконец и приёмник осилил.

Что не понятно - спрашивайте.
--------------
Только теперь заметил, что нумерацию элементов не привёл в порядок. Спешил, дел полно. Не пеняйте сильно.

 

спасибо ) стабилитроны двунаправленные на какое напряжение?